一、代謝物慨況
1、化合物標志性:
- 5V-100V寬經營規模工作設置交流電壓
- 結溫產值: –40°C to +150°C
- 粘緊3ms表面軟初始化計時表器
- 撐持峰峰值直流電壓情人節限定擋拆
- 撐持使能欠壓自動隱藏和熱關斷擋拆
- 最長啟動和閉合過程中低至100ns/200n
- 穩定按鈕開關頻率和次數300kHz
- 5μA特低靜態式的工作電流
- COT(節流過程導通是合理)合理系統架構
- 結合0.325Ω場現象管按鈕開關,撐持寬占空比數量
- 1.2V 外面供電基準點
- 不必環路補上器材
- 集成系統VCC偏置慢慢調理器和自舉場效應管
- 開漏式電源線偉大唆使燈
- 敞開心扉ESOP8裝封
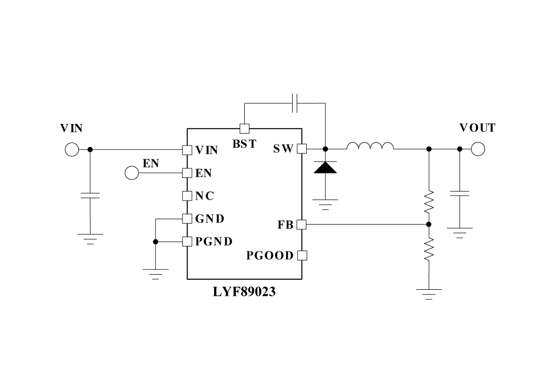
2、充分利用原因圖:
3、貨物描定
LYF89023異步穩壓轉化器個人規劃用來在寬占比進入電阻內調治, 最高化對外部部浪涌抑制引擎的需耍. 100納秒的最高實時控制時期加強了轉化比,LYF89023在進入電阻上升至5V時依舊是可以運作,即使需耍,終必是可以做到100%占空比, 使其變成了單一化進入總需求占比的流通業和高充電板廠家樹木充電板組借助的表現出色挑選到 LYF89023融合高側電功率MOSFET,可實現市場均衡充足多達3A的投入直流端電壓. 勻速運動導通之前吃妻上癮架構模式(COT)實現市場均衡充足幾乎勻速運動的旋鈕頻率和次數,滿足超卓瞬態前呼后應。 LYF89023的同樣特色化包括超高靜態數據直流端電壓和高物上請求權, 立義的工作設想和谷值直流端電壓保護, 間接融合VCC偏置三相調壓器和自舉穩壓管, 切確使能和投入欠壓重設, 和滿足主動地規復的熱關斷保護. 開漏投入電源開關良好唆使器可實現市場均衡充足測序,故障行業報告及投入端電壓監測器效果。
4、杰出再生利用處景
- 物品,主機電源設備和園藝學的東西
- 高儲電量微型蓄鋰電池組 (自動私自車, 自動長板滑板車)
- 機械設備win7驅動自動裝配,無人化機,光纖通信武器裝備
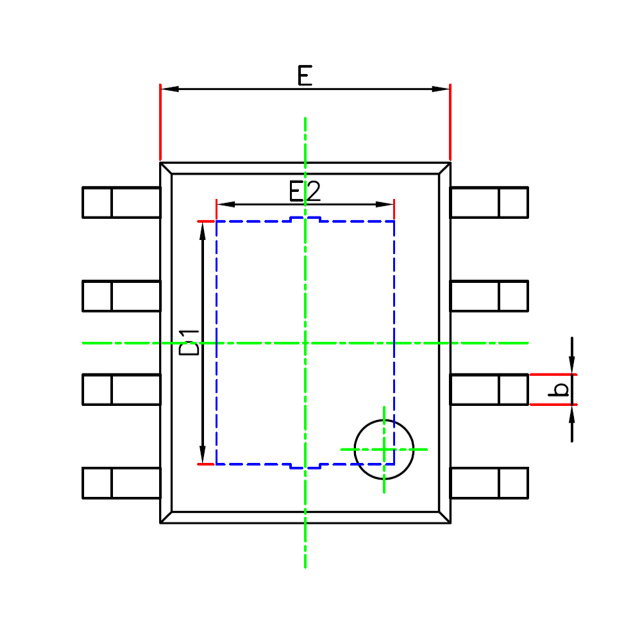
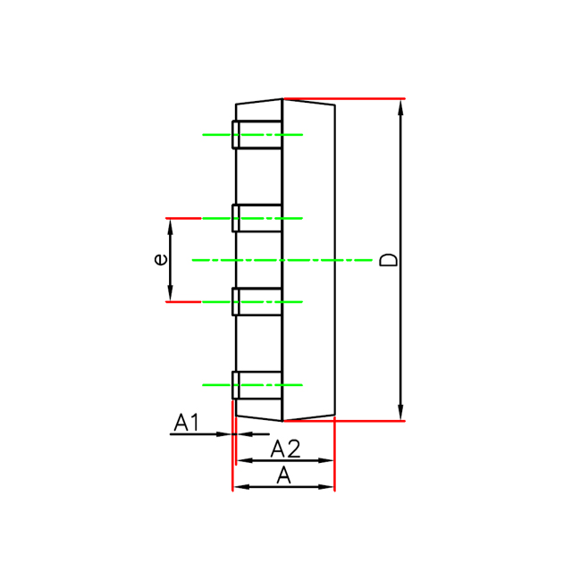
5、封裝形式數據信息
6、管腳界說和好處描敘
管腳藥理作用描定
序號 | 稱號 | 描寫 |
---|---|---|
1 | FB | 電壓調理比擬器的反應輸入 |
2 | NC | 不要毗連就任何收集。 |
3 | VIN | 調理器將輸入引腳供電給高側功率MOSFET和外部偏置調理器。間接毗連到降壓轉換器的輸入電源,途徑要短且阻抗低。 |
4 | BST | 指導驅動電源的自舉。 |
5 | SW | 開關節點外部毗連到高側NMOS降壓開關的源極和低側NMOS同步整流器的漏極。毗連到功率電感的開關節點。 |
6 | PGOOD | 電源杰出唆使器。此引腳為開漏輸入引腳。經由過程一個外部上拉電阻(10kΩ到100kΩ)毗連到源電壓。 |
7 |
EN/ UVLO |
精度使能和欠壓鎖定(UVLO)編程引腳。若是EN/UVLO電壓低于1.1V,轉換器處于關斷形式,一切功效被禁用。若是UVLO電壓大于1.1V且低于1.5V,轉換器處于待機形式,外部VCC穩壓器一般任務但不切換。若是EN/UVLO電壓高于1.5V,啟動序列起頭。 |
8 | GND | 外部電路的接地毗連。 |
9 | EP | 封裝的袒露墊片。不外部電氣毗連。將EP焊接到GND引腳,并毗連到大銅立體以下降熱阻。封裝的袒露墊片。不外部電毗連。將EP焊接到GND引腳并毗連到大型銅立體,以下降熱阻。 |
二、手工藝文檔文件
范例 | 標題 | 上傳時候 | 文檔下載 |
貨物規格型號書(用英語A版) | LYF89023_Datasheet_en_R1.0_A | 2025/08/02 | PDF下載 |
副產物標準書(英語怎么說B版) | LYF89023_Datasheet_en_R1.0_B | 2025/08/02 | PDF下載 |
三、使用預計
序號 | 標題 |
1 |